
、概述
| 電 壓 V | 電阻性負載電流A | 電感性負載電流A | |
| AC | DC | ||
| 380 | 0.08 | 0.045 | |
| 220 | 0-135 | 0.13 | 0.065 |
| 110 | 0.27 | 0.25 | 0.13 |
| 50 | 0.5 | 0.4 | 0.2 |
| <40 | ≤1 | ||
| 產 品 型 號 | YXC-100 YXN-100 | YXC-150 YXN-150 |
| 公 稱 直 徑 | Ф100 | Ф150 |
| 接 頭 螺 紋 | M20x1.5 | |
| 精 確 度 等 級 | 1.0 1.5 | |
| 測 量 范 圍 |
-0.1~0.15 -0.1~0.3 -0.1~0.5 - 0.1~0.9 -0.1~1.5 -0.1~2.4 0~0.16 0~0.25 0~0.4 0~0.6 0~1 0~1.6 0~2.5 0~4 0~6 0~10 0~16 0~25 0~40 0~460
|
|
| 使用環境條件 | 溫度-40-70℃ 相對濕度≤85% | |
| 耐 振 等 級 | YXC系列V.H.3 YXN系列V.H.4 | |
| 電接點裝置的技術參數 | 較高工作電壓:DC220V AC380V | |
| 觸點較大功率:30VA(阻性負載) | ||
| 控制方式:可調節上、下限緩行磁助接點開關 | ||
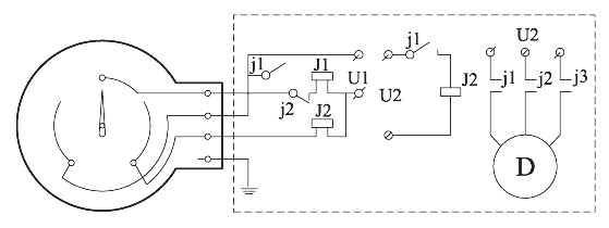
5、電接點壓力表電氣原理圖

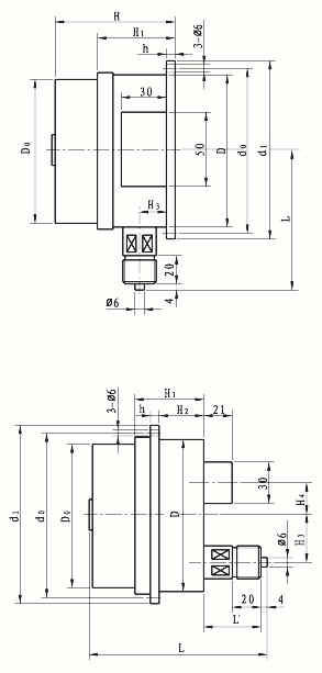
6、外形尺寸

上一篇:隔膜式/隔膜式耐震壓力表
下一篇:YPF系列防腐膜片式壓力表